DC-LDO06-0503 - Плата фильтрации питания для GaAs УМ Uвх = 12 В, Uвых = +6,0...8,0В, Iмакс > 500 мА
Редактировал(а) Олег Григорьев 2025/07/11 16:08
DC-LDO06-0503 | |
|---|---|
![]() | |
| Размер | 0503 |
| Производитель блока | ООО «ИнноЦентр ВАО» |
| Производитель ЭКБ | АО "Группа Кремний Эл" |
| Основная ЭКБ | К1278ЕР1КТ2 |
Страница в магазине | |
Основные параметры
- Входное напряжение +10...12 В
- Выходное напряжение +8 В
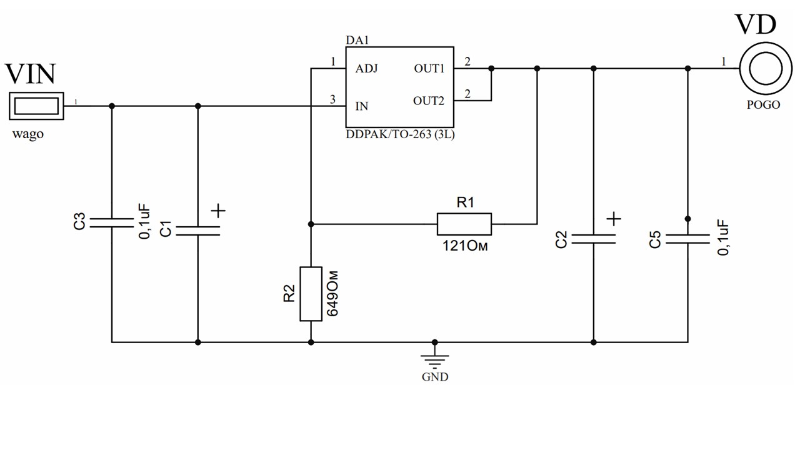
Функциональная схема

Предельные параметры
| Параметр | Предельное значение |
| Напряжение питания минимальное, В | +9,5 |
| Напряжение питания максимальное, В | +12 |
Максимальный выходной ток, А | 1,5 |
| Максимальная рассеиваемая мощность на микросхеме, Вт | 2,2 |
