MW-VCO18-0606 - ГУН в МПП16 3100-4450 МГц (iVCO-208-М16)
Редактировал(а) Олег Григорьев 2025/07/15 14:05
MW-VCO18-0606 | |
|---|---|
![]() | |
| Размер | 0606 |
| Производитель блока | ООО «ИнноЦентр ВАО» |
| Производитель ЭКБ | ООО «ИПК Электрон-Маш» |
| Основная ЭКБ | iVCO-208-М16 |
| Плата питания | DC-LDO01-0403 |
Страница в магазине | |
Основные параметры
| Параметр | Типовое значение |
| Диапазон рабочих частот, МГц | от 3100 до 4450 |
| Уровень фазового шума при отстройке на 1 кГц, дБн/Гц | -55 |
| Уровень фазового шума при отстройке на 10 кГц, дБн/Гц | -82 |
| Уровень фазового шума при отстройке на 100 кГц, дБн/Гц | -104 |
| Уровень фазового шума при отстройке на 1 МГц, дБн/Гц | -127 |
| Относительный уровень 2-й гармоники, дБ | -27 |
| Относительный уровень 3-й гармоники, дБ | -56 |
| Ток потребления, мА | 34 |
| Напряжение управления, В | от 0 до 10,5 В |
Значения параметров приведены при Uпит = 5 В, Т = 25° С
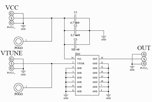
Функциональная схема

Предельные параметры
| Параметр | Предельное значение |
| Напряжение питания Uпит, В | от 4,5 до 5,5 |
| Напряжение управления, В | от 0 до 20 |
| Примечание: одновременное воздействие двух предельных значений не допускается | |
Данные измерений
Диапазон перестройки
| Крутизна перестройки
|
Выходная мощность
| Относительный уровень гармоник
|
Фазовый шум
| Ток потребления
|






