MW-VCO13-0606 - ГУН в МПП16 350-950 МГц (iVCO-203-М16)
Редактировал(а) Олег Григорьев 2025/07/15 13:22
MW-VCO13-0606 | |
|---|---|
![]() | |
| Размер | 0606 |
| Производитель блока | ООО «ИнноЦентр ВАО» |
| Производитель ЭКБ | ООО «ИПК Электрон-Маш» |
| Основная ЭКБ | iVCO-203-М16 |
| Плата питания | DC-LDO01-0403 |
Страница в магазине | |
Основные параметры
| Параметр | Типовое значение |
| Диапазон рабочих частот, МГц | от 350 до 950 |
| Уровень фазового шума при отстройке на 1 кГц, дБн/Гц | -67 |
| Уровень фазового шума при отстройке на 10 кГц, дБн/Гц | -91 |
| Уровень фазового шума при отстройке на 100 кГц, дБн/Гц | -114 |
| Уровень фазового шума при отстройке на 1 МГц, дБн/Гц | -136 |
| Относительный уровень 2-й гармоники, дБ | -22 |
| Относительный уровень 3-й гармоники, дБ | -25 |
| Ток потребления, мА | 23 |
| Напряжение управления, В | от 0 до 10,5 В |
Значения параметров приведены при Uпит = 5 В, Т = 25° С
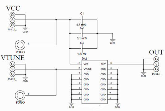
Функциональная схема

Предельные параметры
| Параметр | Предельное значение |
| Напряжение питания Uпит, В | от 4,5 до 5,5 |
| Напряжение управления, В | от 0 до 20 |
| Примечание: одновременное воздействие двух предельных значений не допускается | |
Результаты измерений
Диапазон перестройки
| Крутизна перестройки
|
Выходная мощность
| Относительный уровень гармоник
|
Фазовый шум
| Ток потребления
|






