MW-DPS03-0605 - Цифровой фазовращатель (8-12 ГГц, 6-бит) (RMA4004)
Редактировал(а) Дмитрий Гаранович 2026/04/07 17:22
MW-DPS03-0605 | |
|---|---|
![]() | |
| Размер | 0605 |
| Производитель | |
| Основная ЭКБ | RMA4004 |
| Плата питания | DC-CTRL05-0605 |
Страница в магазине | |
Основные параметры
| Параметр | Типовое значение |
| Диапазон рабочих частот, ГГц | 8,0 – 12,0 |
| Uпит, В | -9 |
| Uупр.L, В | 0 ... 0,8 |
| Uупр.H, В | 4,5 ... 5,0 |
| Вносимые потери, дБ | 7,1 ... 9 |
| СКО фазовой ошибки фазы, ◦ | 3 ... 8,5 |
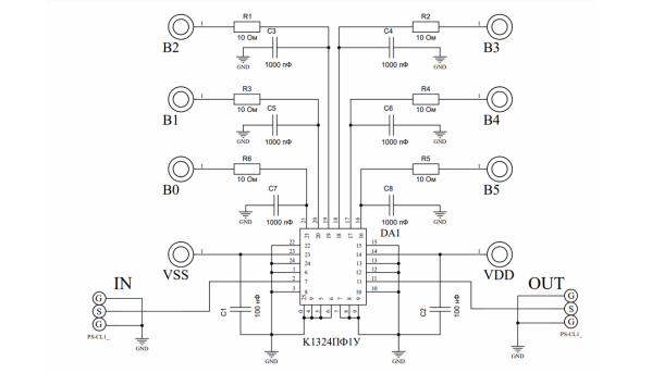
Функциональная схема

Предельные параметры
| Параметр | Предельное значение |
| Напряжение питания, В | -9,0 |
| Напряжение управления, В | 0 … +5,5 |
| Pвх, дБм |
Таблица истинности основных состояний
| В0 | В1 | В2 | В3 | В4 | В5 | Поворот фазы, град |
|---|---|---|---|---|---|---|
| 0 | 0 | 0 | 0 | 0 | 0 | 0 |
| 1 | 0 | 0 | 0 | 0 | 0 | 5,625 |
| 0 | 1 | 0 | 0 | 0 | 0 | 11,25 |
| 0 | 0 | 1 | 0 | 0 | 0 | 22,5 |
| 0 | 0 | 0 | 1 | 0 | 0 | 45 |
| 0 | 0 | 0 | 0 | 0 | 1 | 90 |
| 0 | 0 | 0 | 0 | 1 | 0 | 180 |
| 1 | 1 | 1 | 1 | 1 | 1 | 354,375 |
